- RFID设备
- RFID手持机
- 超高频读写器
- 超高频多通道读写器
- 超高频一体机
- RFID打印机
- RFID桌面读写器
- RFID隧道机
- 无障碍通道
- 有源基站
- 有源手持终端
- RFID工具车
- RFID自助借还机
- RFID龙门架
关于我们 ABOUT US
+more
择捷热线
400-868-5581
联系地址
上海市浦东新区秋兴路875号1栋3楼
工业叉车超高频读写器一体机ZJGY603-2DBI
Ⅰ 产品简介
——————————————————————————————————————————————————————————————
◆ 工业叉车超高频读写器一体机ZJGY603-2DBI是一款高性能的UHF读写设备;
◆ 自主知识产权设计,结合自有的高效信号处理算法,在保持高识读率的同时,实现对电子标签的快速读写处理;
◆ 在保持较高识读率的同时,实现对电子标签的快速读写处理;
◆ 广泛应用于工业4.0生产管理、博物馆、服装管理、烟草物流、食品药品管理、图书管理、车牌防伪识别管理、车辆编组调度管理、智能停车场管理、口岸出入境车辆查验管理、仓库物资进出监管和识别管理、行李包裹识别管理、品牌商品防伪管理和码头集装箱管理等多种无线射频识别(RFID)系统应用领域。
◆ 自主知识产权设计,结合自有的高效信号处理算法,在保持高识读率的同时,实现对电子标签的快速读写处理;
◆ 在保持较高识读率的同时,实现对电子标签的快速读写处理;
◆ 广泛应用于工业4.0生产管理、博物馆、服装管理、烟草物流、食品药品管理、图书管理、车牌防伪识别管理、车辆编组调度管理、智能停车场管理、口岸出入境车辆查验管理、仓库物资进出监管和识别管理、行李包裹识别管理、品牌商品防伪管理和码头集装箱管理等多种无线射频识别(RFID)系统应用领域。
Ⅱ 技术参数
——————————————————————————————————————————————————————————————
极限参数
◆ 电源电压(VCC):5 V
◆ 工作温度(TOPR):-20~+65 ℃
◆ 贮藏温度(TSTR):-30~+75 ℃
◆ 工作湿度(Rh):+5% ~ +90% 无冷凝 φ
规格
◆ 电源电压(VCC):4.5~5.5(5典型) V
◆ 工作电流(IC):1.5 A
◆ 工作频率(FREQ):902~928 MHz
◆ 注:在不同国家或地区标准和不同的环境下,本读卡器的参数和功能可能存在差别,恕不作另行通知。
◆ 电源电压(VCC):5 V
◆ 工作温度(TOPR):-20~+65 ℃
◆ 贮藏温度(TSTR):-30~+75 ℃
◆ 工作湿度(Rh):+5% ~ +90% 无冷凝 φ
规格
◆ 电源电压(VCC):4.5~5.5(5典型) V
◆ 工作电流(IC):1.5 A
◆ 工作频率(FREQ):902~928 MHz
◆ 注:在不同国家或地区标准和不同的环境下,本读卡器的参数和功能可能存在差别,恕不作另行通知。
Ⅲ 产品展示
——————————————————————————————————————————————————————————————
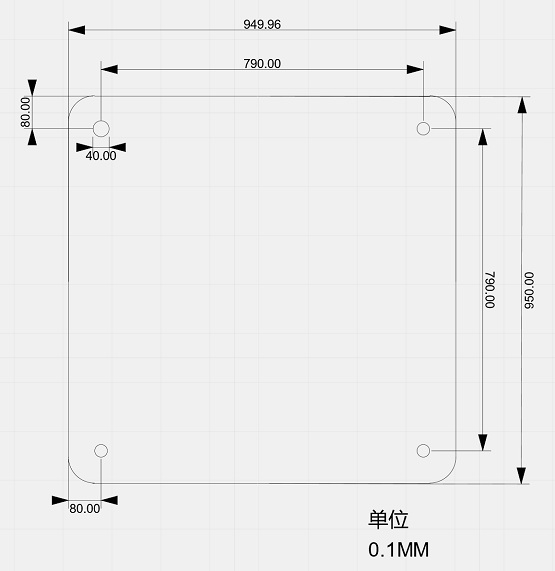
安装尺寸图

实拍展示
